Norėdami naudotis papildomomis prekės identifikavimo funkcijomis, turite prisijungti.
Der Artikel wurde erfolgreich hinzugefügt.
Viršyta kredito linija
Sulaikyti užsakymai

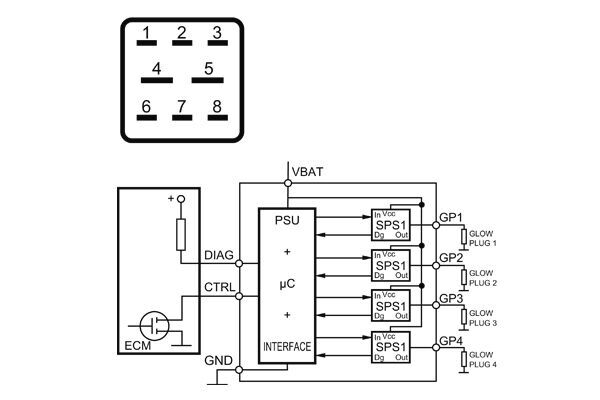
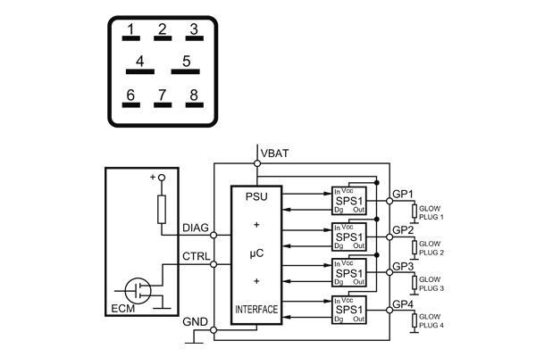
MHG 58 valdymo blokas, kaitinimo žvakių sistema1

Paskiausiai peržiūrėta
1) Montavimo instrukcijos pridedamos ne visada. Jei Jums ar Jūsų klientui reikėtų montavimo instrukcijų, pasiteiraukite jų prieš pateikdami užsakymą. Visi gaminiai turėtų būti naudojami tik pagal numatytąją paskirtį ir juos turėtų įmontuoti atitinkamą profesinį išsilavinimą turintis profesionalas. 2) Siūlomos prekės nėra originalios dalys. Nurodyti originalūs numeriai yra skirti tik palyginti. Ši informacija buvo surinkta labai apdairiai, tačiau vis dėlto gali pasitaikyti klaidų. Mes neprisiimame atsakomybės už pateiktų duomenų teisingumą. Tinkamumas naudoti turi būti patikrintas prieš montuojant.